Le HT70-B micro type hydraulic drilling jumbo est un équipement de forage de trous moyens à profonds conçu pour les tunnels souterrains à petite section. Il convient au forage de trous parallèles verticaux ou inclinés, ainsi que de trous de mine en éventail.
Le jumbo de forage hydraulique est équipé de deux stabilisateurs (stingers) stables, d’un indicateur d’angle de haute précision et d’une console de commande à distance ergonomique. Associés à un perforateur hydraulique performant, ces équipements garantissent des opérations de forage sûres, précises et fiables. Le bras de forage à haute stabilité assure un positionnement précis et une grande exactitude de perçage, contribuant à réduire la dilution du minerai.
| Jumbo de forage hydraulique | Section de galerie adaptée | 2800×2800 - 4000×4000mm |
| Dimensions (L × l × h) | 4150×1400×2200mm | |
| Garde au sol | 280mm | |
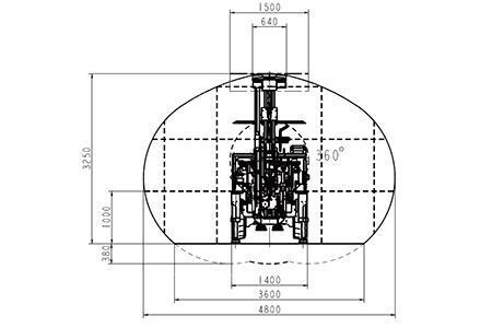
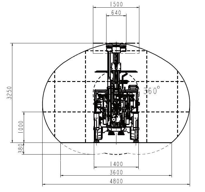
| HT70B(CYTC70B) | Rayon de braquage minimal | Inner 2100 mm / Outer 3500 mm |
| Aptitude en pente | 14° | |
| Poids total | 5500kg | |
| Perforateur hydraulique RC2200 | Puissance de percussion | 21kW |
| Fréquence de percussion | 55Hz | |
| Pression d’impact | 200bar | |
| Système de rotation | Rotation indépendante | |
| Vitesse de rotation | 0–285 tr/min | |
| Couple de rotation maximal | 720N.m | |
| Système d’avance | Longueurs d’avance | 2550 / 2770 / 3000mm |
| Filetage de tige de forage | T38 / T45 | |
| Longueur de tige de forage | 800 / 915 / 1220mm | |
| Poids du système d’avance | 800/950/1050kg | |
| Force d’avance | 13kN | |
| Capacité de stockage des tiges | 14+1 (T38) / 12+1 (T45) | |
| Système électrique RC2200 | Puissance totale | 87.5KW |
| Moteur électrique principal | 75kW | |
| Tension | 380V (optionnel) | |
| Compresseur d’air | Modèle | GCU11 |
| Débit d’air (8 bar) | 1 m³/min | |
| Tension | 380V (optionnel) | |
| Bras de forage | Course de compensation | 900mm |
| Angle de basculement du système d’avance | 180° | |
| Angle d’inclinaison | Vers l’avant −30°, vers l’arrière +65° | |
| Poids du bras de forage | 750kg | |
| Plage de forage des trous parallèles | 1500mm | |
| Système hydraulique | Capacité du réservoir d’huile | 120L |
| Finesse de filtration | 10μm | |
| Capteur | Capteur de pression différentielle pour filtre d’huile hydraulique | |
| Pompe | Pompe à huile manuelle | |
| Châssis | Oscillation de l’essieu arrière | 7° |
| Pneus | Avant : 8.25-10 | |
| Arrière : 6.5-10 | ||
| Transmission | Traction avant | |
| Direction | Direction arrière | |
| Freinage | Frein de service / frein de stationnement |
Huatai est une entreprise chinoise spécialisée dans la conception et la production en série d'engins de forage de roche. Depuis sa création en 2000, l'entreprise s'est engagée à fabriquer des produits de pointe et à offrir des services de la plus haute qualité à de nombreuses entreprises opérant dans les secteurs miniers, métallurgiques et de l'ingénierie des fondations.
Au cours de 20 ans d'innovation et de développement constants dans l'industrie minière souterraine et du forage de roche, Huatai a réalisé une auto-transcendance continue et comblé plusieurs lacunes sur le marché intérieur. Aujourd'hui, notre gamme de produits comprend plus de 30 types de machines de forage de roche pour mines, réparties en trois catégories : engins pour mines souterraines, engins pour mines de charbon et foreuses jumbo pour puits. Ces années de croissance et d'amélioration constantes ont permis de réaliser des progrès notables dans l'industrie nationale des machines de forage de roche, augmentant la sécurité, l'efficacité et la rentabilité des projets d'ingénierie minière souterraine et de construction de tunnels.
Le jumbo de forage de puits GYSJZ est une machine de forage spécialisée et haute performance conçue pour répondre aux exigences des excavations de puits verticaux profonds en roche dure. Cet engin de forage est alimenté par un moteur robuste de 132 kW et équipé de trois perforateurs hydrauliques robustes, lui permettant de gérer des diamètres de forage allant de 4 à 6 mètres.
En savoir plus +
Le jumbo de forage de puits YSJZ est un engin de forage spécialement conçu pour la construction de puits verticaux dans les mines de minerai de fer et de métaux non ferreux. Ce jumbo de puits constitue une excellente alternative pour les projets miniers et de construction souterraine où d'autres méthodes de forage ne peuvent être adoptées en raison de leurs limites techniques ou économiques.
En savoir plus +
La foreuse de puits verticale de la série SJZ est un engin spécial conçu pour le forage de trous de mine dans la construction de puits verticaux. Elle convient à une large gamme de diamètres de puits et se distingue par une opération flexible, un positionnement précis et une sécurité fiable.
En savoir plus +
Conçue spécifiquement pour les formations rocheuses de dureté moyenne, la foreuse hydraulique RC600 assure un forage puissant et précis dans un large éventail d’applications exigeantes. Sa conception robuste et ses fonctionnalités polyvalentes en font le choix idéal pour Le forage de soutien dans les mines souterraines, l’installation de boulons d’ancrage, la construction routière et de ponts, et les projets de bâtiment complexes.
En savoir plus +